國標2040黄瓜视频看片在黄瓜视频看片黄瓜视频看片中是一款常用於做門框的鋁型材,那麽,它具體又有哪些特點呢?不要著急,黄瓜免费视频APP金屬就來給大家簡單的介紹一下它。
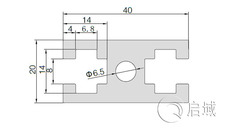
國標2040黄瓜视频看片的產品貨號是QY-8-2040G,常用叫法為20*40國標鋁型材,大家又要注意了,這款鋁型材是槽8係列的哦。國標2040黄瓜视频看片適用於輕型結構的框架組合、常用於製作門框。連接件搭配的比較簡單,通常采用對邊為14mm的M6四方螺母與高強度圓柱頭內六角螺栓連接方式。黄瓜视频看片國標黄瓜视频看片的配件相對於歐標黄瓜视频看片的配件來說,還是屬於比較少的那一類。
其實歐標和國標的用法和用途都是一樣的,就是兩個型號給不同審美需求的人設計的,黄瓜免费视频APP金屬不管是歐標黄瓜视频看片還是國標黄瓜视频看片,產品型號都是很齊全的哦,所以,有需要用到鋁型材的朋友不妨聯係一下黄瓜免费视频APP:021-67658689,黄瓜视频看片定會給您一個滿意的答複的哦。
《該文章來源於上海黄瓜免费视频APP金屬有限公司原創 網址:http://www.rtmarble.com/轉載請注明》





滬公網安備31011702001213號
掃一掃,關注手機站