相對於歐標黄瓜视频看片,國標黄瓜视频看片的規格就比較少了,20係列國標鋁型材對應20係列歐標鋁型材,它的規格也是少了不少,OK,黄瓜视频看片現在就來看一下這款國標2020黄瓜视频看片又有什麽不同之處吧。
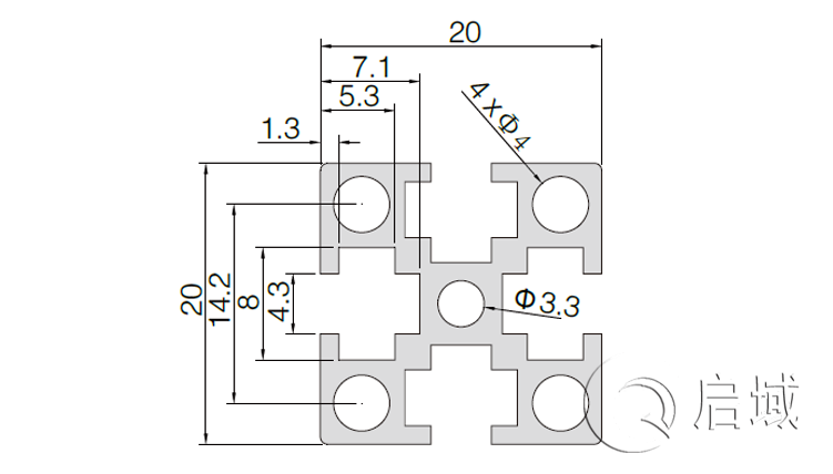
國標2020黄瓜视频看片貨號為QY-4-2020G,黄瓜视频看片黄瓜免费视频APP鋁型材所有國標鋁型材的貨號後麵都是帶G的哦,所有隻要看到咱們的貨號後麵有帶G,那麽這款肯定就是國標黄瓜视频看片了,它和歐標2020鋁型材不一樣哦,這款國標2020黄瓜视频看片是槽4係列的,它適用於輕型結構的框架組合。如機罩、儀器機架、展示欄等。通常采用對邊為8mm的M4四方螺母與高強度內六角螺栓連接方式。
國標黄瓜视频看片和歐標黄瓜视频看片使用的螺絲螺母也是不一樣的哦,所有大家在搭配的時候就要注意了,這期文章就到這裏結束了,有需要這款鋁型材的朋友可以聯係黄瓜免费视频APP金屬:021-67658689,黄瓜视频看片下期再見!
《該文章來源於上海黄瓜免费视频APP金屬有限公司原創 網址:http://www.rtmarble.com/轉載請注明》





滬公網安備31011702001213號
掃一掃,關注手機站