• 黄瓜视频看片,91黄瓜在线观看,黄瓜免费视频APP,黄瓜视频正版下载

    全國站[切換城市]
    黄瓜免费视频APP黄瓜视频看片配件_框架、自動化流水線、車間工作台、設備機罩防護圍欄加工定製廠家

    在線留言 網站地圖 聯係黄瓜免费视频APP

    黄瓜免费视频APP

    黄瓜视频看片專業廠家
    4000965058

    猜您想找 :鋁材廠家 91黄瓜在线观看 流水線鋁型材 異型材開模

    當前位置: 首頁 » 新聞資訊 » 黄瓜免费视频APP動態 » 鋁型材設備機櫃櫃門使用型材介紹

    鋁型材設備機櫃櫃門使用型材介紹

    文章出處:   責任編輯:   發布時間:2020-10-28 08:06:58    點擊數:-   【
      鋁型材設備機櫃作為電子設備的載體,被廣泛使用,為了裏麵的線路設備不被外界灰塵,沙粒落在運行線路設備上,上麵會安裝櫃門,櫃門的用途不但有防塵防沙作用,還有提高現場視覺美觀作用,一般安裝鋁型材設備機櫃門使用型材大家知道嗎?不知道沒有關係,大家來看一下文。

    設備鋁型材機箱


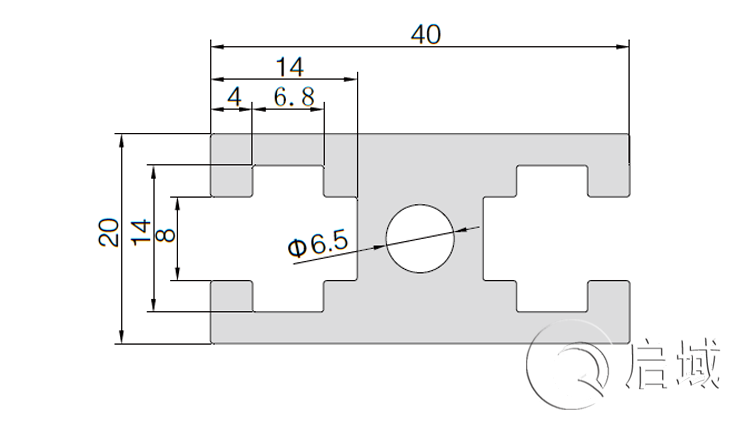
      在之前的介紹中一直說型材是四麵帶槽,方便使用配件安裝,但是鋁型材設備機櫃門使用的型材可根之前說的大不一樣,它是兩麵帶槽,以上海黄瓜免费视频APP多年安裝經驗來說,常用的就兩種規格,圖二國標1530型材,圖三國標2040型材。

    1530G國標黄瓜视频看片

    2040G


      為什麽要說這兩種規格呢?大家在來看看圖四,就是將圖二和圖三者兩款型材切成45度角,用直角連接件進行固定,與板材的拚合就會呈現圖一門的效果。

    門框


      可能還有小夥伴會說除了這兩款型材其它的型材規格就不能做門框了嗎?答案是可以的,隻是成品效果不是很好看,這兩款是專用在門框上的,想要來做框架,在承重上它是達不到要求的。
      鋁型材設備機櫃門框可使用什麽型材文中已經很詳細給大家介紹了,如果您需要定製框架上海黄瓜免费视频APP有專業技術團隊,根據每位客戶的使用要求會給出科學合理的解決方案。
      該文章來自上海黄瓜免费视频APP金屬製品有限公司,禁止轉載!原創文章已全網維權,侵權必究!

    此文關鍵字:鋁型材設備機櫃
    網站地圖