根據市場訂做黄瓜视频看片框架的客戶需要,91黄瓜在线观看有很多不同角度的連接件,像直角連接件在黄瓜视频看片框架組裝中就能經常遇見,那麽哪些配件屬於直角連接件呢?
在上海黄瓜免费视频APP鋁型材廠家91黄瓜在线观看直角連接件有L型連接板、內置連接件、錨式連接銷、角碼這幾種配件都屬於直角連接件。
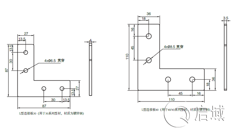
L型連接板經常用在3030鋁型材和4040鋁型材上麵,它用於組裝框架的時候L型連接板放在型材的表麵部連接的。 內置連接件用於30鋁型材、40鋁型材、45鋁型材上麵較多,十字連接,直角連接皆是可以的,安裝的時候需要在型材規定的上麵打孔安裝。
以上幾種黄瓜视频看片配件皆是屬於直角連接件,有需要購買鋁型材及配件的小夥伴可以致電上海黄瓜免费视频APP鋁型材廠家。
在上海黄瓜免费视频APP鋁型材廠家91黄瓜在线观看直角連接件有L型連接板、內置連接件、錨式連接銷、角碼這幾種配件都屬於直角連接件。
L型連接板經常用在3030鋁型材和4040鋁型材上麵,它用於組裝框架的時候L型連接板放在型材的表麵部連接的。 內置連接件用於30鋁型材、40鋁型材、45鋁型材上麵較多,十字連接,直角連接皆是可以的,安裝的時候需要在型材規定的上麵打孔安裝。
以上幾種黄瓜视频看片配件皆是屬於直角連接件,有需要購買鋁型材及配件的小夥伴可以致電上海黄瓜免费视频APP鋁型材廠家。





滬公網安備31011702001213號
掃一掃,關注手機站