什麽叫直角鋁型材?相信大家有點疑惑,歐標鋁型材的四角不都是帶點弧度的嗎?其實,這款鋁型材是根據一些審美不同的人研發出來的,有的人就喜歡國標鋁型材的這種四四方方的角,但是國標鋁型材的配件比較少,怎麽辦呢?然後就有這款外表是國標鋁型材實則是歐標鋁型材的直角鋁型材,現在,黄瓜视频看片就一起來看一下這款歐標3030直角鋁型材吧。
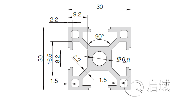
歐標3030直角鋁型材的產品貨號為QY-8-3030A,它廣泛應用於大應力、高強度、支撐要求高的重載結構的框架組合,歐標3030直角鋁型材的配套螺栓螺母通常采用30係列M6T型螺栓與M6法蘭螺母或M6、M5、M4專用T型螺母與內六角螺栓內部連接,如受力強度大可采用30係列滑塊螺母與內六角螺栓配套使用,這樣連接也是非常堅固可靠結實的哦。
ok,以上就是黄瓜视频看片的全部內容了,有需要的朋友們可以聯係黄瓜免费视频APP金屬:021-67658689,黄瓜视频看片下期再見哦!
《該文章來源於上海黄瓜免费视频APP金屬有限公司原創 網址:http://www.rtmarble.com/轉載請注明》





滬公網安備31011702001213號
掃一掃,關注手機站